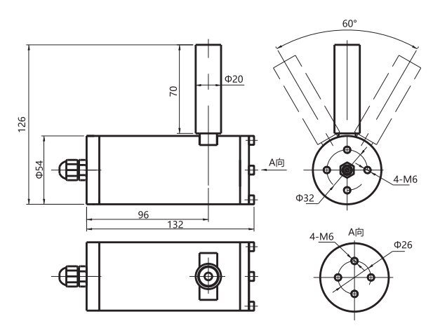
摆杆传感器EPC-60
应用描述:
EPC-60纠偏传感器坚固的导正滚轮系统应用于橡胶、输送带行业,接触式探边器用于对边,耐久的摆杆控制器监控整个动作组件。
服务热线:021-60892191
周经理:13795240075 (微信同号)
李经理:18049958686 (微信同号)
留言
周经理:13795240075 (微信同号)
李经理:18049958686 (微信同号)
- 产品概述
- 性能参数
- 安装图纸
- 应用现场
- 资料下载









