DGM一体式纠偏导正系统
应用描述:
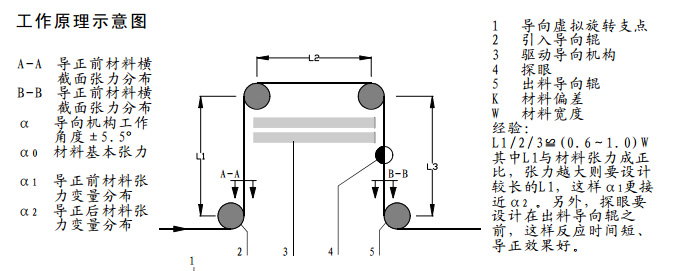
DGM系列驱动导向机构包含一套伺服驱动器及一套导向机构,其中导向机构在驱动器的驱动下以特定的几何轨迹运动,使通过导向机构的片带材料因横向摩擦力及横截面张力分布变化而使其横向位置改变。
服务热线:021-60892191
周经理:13795240075 (微信同号)
李经理:18049958686 (微信同号)
留言
周经理:13795240075 (微信同号)
李经理:18049958686 (微信同号)
- 产品概述
- 性能参数
- 安装图纸
- 应用现场
- 资料下载
DGM系列驱动导向机构包含一套伺服驱动器及一套导向机构,其中导向机构在驱动器的驱动下以特定的几何轨迹运动,使通过导向机构的片带材料因横向摩擦力及横截面张力分布变化而使其横向位置改变。
产品特点:
1.主要应用于卷标印刷、卫生品、包装业;
2.航空插头联线,方便安全;
3.大量采用特殊材料,有效降低了惯量,响应快;
4.特殊导轨设计,使运动部件无间隙连接,可在8HZ的响应频率下平稳工作;
5.限制应用张力不大于400-450N;
6.可配选红外线或超声波探眼;
7.特殊设计的运动轨迹使材料导正理想化;
8.一体式设计,安装及维护方便;
产品特点:
1.主要应用于卷标印刷、卫生品、包装业;
2.航空插头联线,方便安全;
3.大量采用特殊材料,有效降低了惯量,响应快;
4.特殊导轨设计,使运动部件无间隙连接,可在8HZ的响应频率下平稳工作;
5.限制应用张力不大于400-450N;
6.可配选红外线或超声波探眼;
7.特殊设计的运动轨迹使材料导正理想化;
8.一体式设计,安装及维护方便;












