纠偏控制器DCN-2000
应用描述:
DCN-2000系列纠偏控制器是一款网络化、高精度数字式可以对片带状材料的边沿、中间线、色标线等位置进行自动控制的高性能电子仪器,其主要由控制板、液晶显示操作板、机箱等三部分组成,可以实现对片带状材料进行跟边控制、对中控制、跟线控制和复合控制。
服务热线:021-60892191
周经理:13795240075 (微信同号)
李经理:18049958686 (微信同号)
留言
周经理:13795240075 (微信同号)
李经理:18049958686 (微信同号)
- 产品概述
- 性能参数
- 安装图纸
- 应用现场
- 资料下载
DCN-2000系列纠偏控制器是一款网络化、高精度数字式可以对片带状材料的边沿、中间线、色标线等位置进行自动控制的高性能电子仪器,其主要由控制板、液晶显示操作板、机箱等三部分组成,可以实现对片带状材料进行跟边控制、对中控制、跟线控制和复合控制。
产品特点:
1.采用高速高集成专用处理芯片,编码器反馈、PWM驱动、性能优越稳定;
2.液晶屏多行中文显示,使用简洁明了;
3.含有十组存储单元,供用户存储10种材料对应的用户参数,以便直接调用;
4.开放式软件功能,优越的人机界面技术,方便用户调整PID参数,增益和其他关键参数;
5.采用密码管理功能,保证参数设置安全,避免误操作;
6.内含有跟边,跟线,对中和复合等四种功能;
7.含输入输出端检测保护功能,以确保控制板长期稳定工作;
8.连线采用航空插头插座,接线安装非常方便;
9.金属外壳,坚固美观,防尘防电磁干扰;



产品特点:
1.采用高速高集成专用处理芯片,编码器反馈、PWM驱动、性能优越稳定;
2.液晶屏多行中文显示,使用简洁明了;
3.含有十组存储单元,供用户存储10种材料对应的用户参数,以便直接调用;
4.开放式软件功能,优越的人机界面技术,方便用户调整PID参数,增益和其他关键参数;
5.采用密码管理功能,保证参数设置安全,避免误操作;
6.内含有跟边,跟线,对中和复合等四种功能;
7.含输入输出端检测保护功能,以确保控制板长期稳定工作;
8.连线采用航空插头插座,接线安装非常方便;
9.金属外壳,坚固美观,防尘防电磁干扰;




| 项 目 | 规 格 |
| 纠偏控制器 |
DCN2000/24/G DCN2000/24/Q |
|
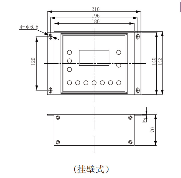
挂壁式尺寸 (长x宽x高) |
210x144x70 |
|
嵌入式尺寸 (长x宽x高) |
210x180x122 |
| 工作电源 | 24V |
| 使用环境温度 | 15℃~+50℃ |
| 使用环境湿度 | 38℃~85%RH |
| 使用环境 | 无可燃气体、无腐蚀 |
| 通讯接口 | RS485 |













