张力传感器BK系列
应用描述:
"安优"( Anyou)BK-4A系列张力传感器,采用十字剪切梁结构,整体式全密封防腐蚀设计,使得传感器输出线性好,响应速度快,且防腐防尘,稳定性高,坚固耐用。箔式应变片使其在低张力下,仍可提供高灵敏度,且无需内置温度补偿网络。广泛应用于各种工业生产线上。
服务热线:021-60892191
周经理:13795240075 (微信同号)
李经理:18049958686 (微信同号)
留言
周经理:13795240075 (微信同号)
李经理:18049958686 (微信同号)
- 产品概述
- 性能参数
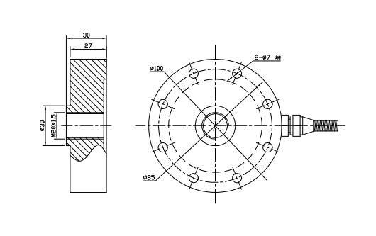
- 安装图纸
- 应用现场
- 资料下载
"安优"( Anyou)BK-4A系列张力传感器,采用十字剪切梁结构,整体式全密封防腐蚀设计,使得传感器输出线性好,响应速度快,且防腐防尘,稳定性高,坚固耐用。箔式应变片使其在低张力下,仍可提供高灵敏度,且无需内置温度补偿网络。广泛应用于各种工业生产线上。主要特点如下:
●输出信号响应频率高
●输出信号线性度好
●抗过载、偏载能力强
●内置温度补偿网络,温度漂移小
●对高低张力具有同样的高灵敏度
●张力有效检测范围宽,高达45:1
●采用特殊的工艺,保证了应变片与基体粘结强度高
●工业化防尘防腐蚀工艺设计
●采用特种合金,坚固耐用
| BK-4A | 2000、5000、10000、20000、30000、50000、60000 |
| 100000(可根据用户需要定制) | |
| 工作电源 | DC5-15V |
| 张力信号输出 | 0-20mV/0-250mV |
| 输出灵敏度 | 1.5-2mV/V |
| 工作温度 | -38℃~+75℃ |
| 工作湿度 | <90%R.H. |
| 传感器形式 | 电阻应变式 |
| 线性误差 | <±0.1% |
| 重复性误差 | <±0.1% |
| 综合误差 | <±0.2% |
| 温度漂移 | <±0.02%/℃ |
| 传感器材料 | 特种合金 |
| 防护等级 | IP65 |












