轻型张力传感器UPB-M1(100N)
应用描述:
upb系列轴承座式张力传感器采用先进的传感器技术,整体密封防腐设计,使传感器输出线性响应速度好,耐腐蚀、防尘,稳定性高,经久耐用。
服务热线:021-60892191
周经理:13795240075 (微信同号)
李经理:18049958686 (微信同号)
留言
周经理:13795240075 (微信同号)
李经理:18049958686 (微信同号)
- 产品概述
- 性能参数
- 安装图纸
- 应用现场
- 资料下载
upb系列轴承座式张力传感器采用先进的传感器技术,整体密封防腐设计,使传感器输出线性响应速度好,耐腐蚀、防尘,稳定性高,经久耐用。箔片应变计在低张力下提供高灵敏度。广泛应用于印刷覆膜模切造纸橡胶纺织钢带电线电缆及薄膜卷绕控制设备及生产线

*注意:安装过渡板和轴承座时,紧固螺栓的拧紧力矩不得过大,以免影响传感器的精度,甚至损坏传感器。紧固螺栓可以用胶水粘合以防止松动。
功能
● 输出信号响应频率高,线性度好
● 内置温度补偿网络温度漂移小
● 对高张力和低张力具有相同的高灵敏度
● 有效张力检测范围广,可达45:1
● 最大过载能力可达1000%
● 安装在轴承座下,无活动部件
额定负荷的计算和选择
MWF*=((2TXKXSIN(A/2)X(XinB+LcosB)土壤W(LcosC-HcosC))**/(2L)MWF:最大工作压力(N);
A: 包裹角度(度);B: 张力角(度);
K: 安全系数(1.4-2.0);T: 最大总张力(N);W: 张力辊的自重(N);
*MWF计算结果是单个传感器承受的最大工作压力
**如果B角度为

| Working power | DC5-15V |
| Tension signal output | 0-20mV |
| Operating temperature | - 38°C ~+ 75C |
| Working humidity | <90%R.H. |
| Sensor form | Resistance strain gauge |
| Linear error | <土0.1% |
| Repeatability error | <+0.1 % |
| Comprehensive error | <土0.2% |
| Temperature drift | <土0.02%/°C |
| Connector specifications | aviationWS-12 |
| Sensor material | Special alloy |
| Sensor housing materia | Gold alloy steel |
Order code (for example)

Product selection table
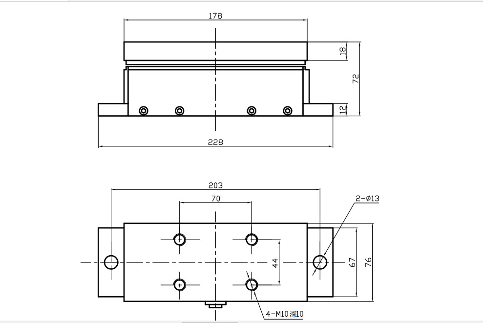
| model | Rated load(N) | Dimensions | ||||||||||||
| L | B | H | D | E | F | G | H | N | O | U | V | W | ||
| UPB-M1 | 500N | 228 | 76 | 72 | 65 | 88 | 12 | 203 | 178 | M10 | 12 | 44 | 70 | — |
| 1000N | 228 | 76 | 72 | 65 | 88 | 12 | 203 | 178 | M10 | 12 | 44 | 70 | — | |
| 2500N | 228 | 76 | 72 | 65 | 88 | 12 | 203 | 178 | M10 | 12 | 44 | 70 | — | |
| 5000N | 228 | 76 | 72 | 65 | 88 | 12 | 203 | 178 | M10 | 12 | 44 | 70 | — | |











